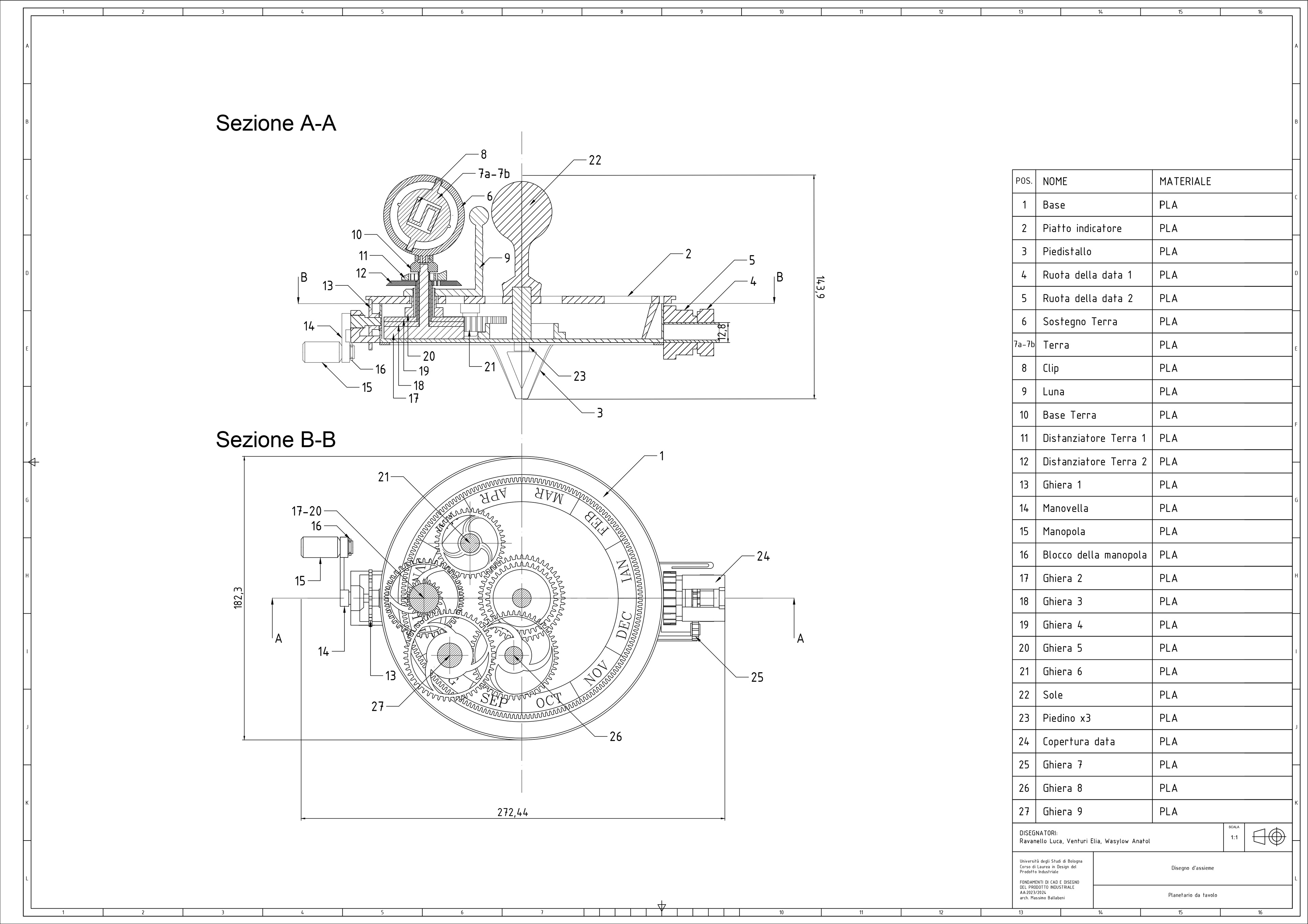
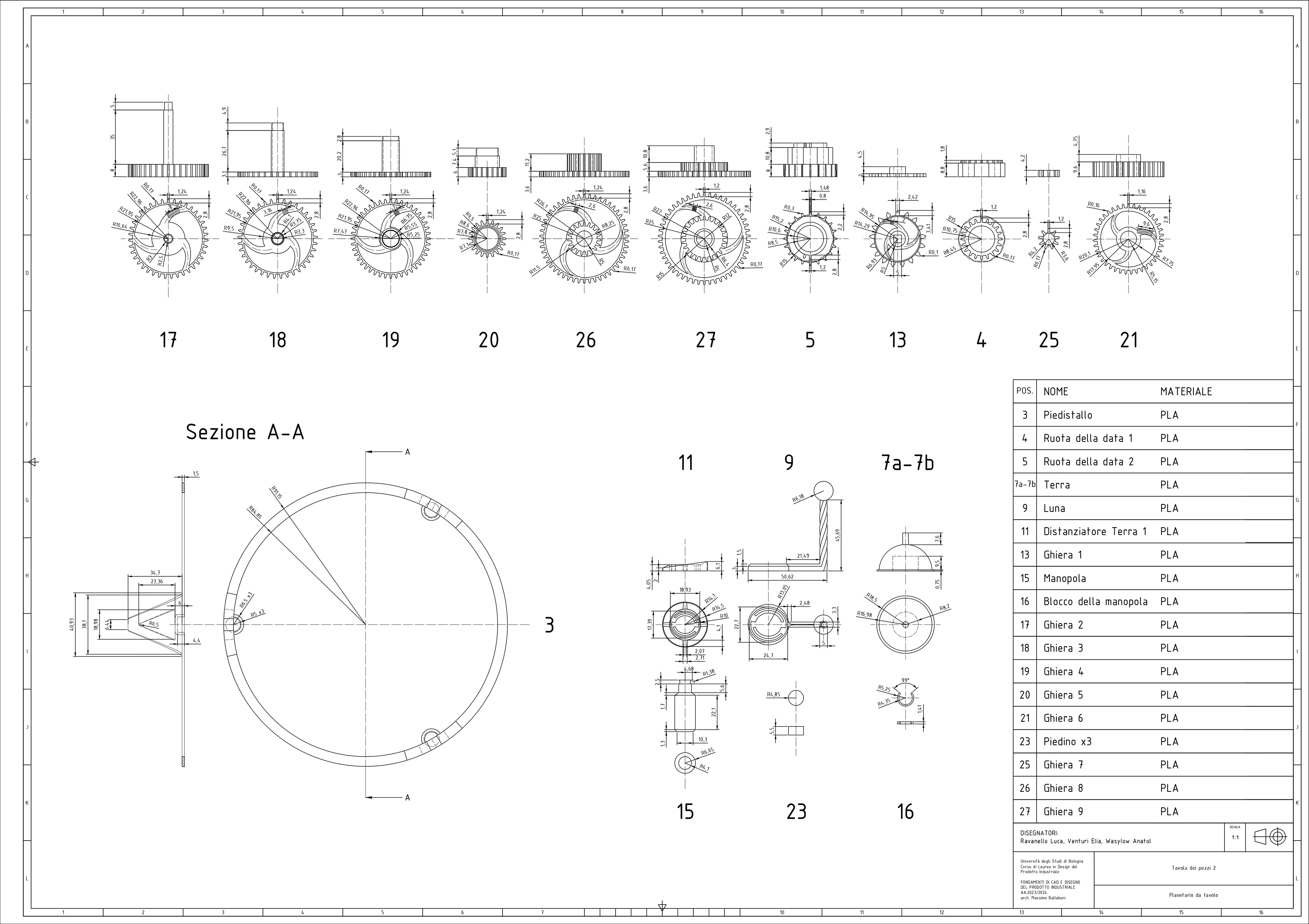
Industrial drawing of a mechanical orrery
During the "AutoCAD Fundamentals" course my colleagues and I were asked to create some technical drawings of an already existing object. This is why we chose a mechanical table planetarium.

This exercise allowed me to refine my skills in technical drawing, in the use of AutoCAD, but above all in the three-dimensional understanding of an object.

We therefore drew a first table that portrays the object in orthogonal projection through two sections.
After that we created two tables of the individual pieces, always in orthogonal projection.
We then moved on to axonometrics, drawing an isometric axonometric and an exploded view.

You may also like

Back to Top